POLIA IND. ROYAL 30 DENTES 3M 15MM TIPO 6F ALUMINIO

Código: FETZRN5TY

Todas fabricadas em alumínio. Também dispomos de polias em Aço. Geometria dos dentes HTD. Tolerância de excentricidade é de 0,05mm para polias com diâmetros externos de 0 a 200 mm. Acima de 200 mm de diâmetro, acrescentar 0,005mm para cada 10mm. As polias padronizadas em nosso estoque somente possuem furo guia ou furo apontado, e não estão balanceadas. O balanceamento e acabamento final das polias ficam sob responsabilidade do comprador. Os furos apontados ou guias não estão centralizados com relação ao cubo. A centralização deve ser feita através dos dentes das polias. Nos reservamos-nos o direito de alterar o diâmetro do furo sem aviso prévio.

Imagem meramente ilustrativa*

Referência da
Polia
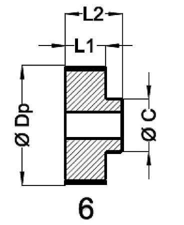
Numero de Dentes Tipo de Polia Dia. Primitivo Ø Dp Dia. Flanges Ø F Dia. do Cubo
Ø C
9,0 Peso Aprox. (g) 15 Peso Aprox. (g) Furo Min. Ø Furo Max. Ø
L1 L2 L1 L2
10 5M 10 6F 15,91 20,0 10,0 14,5 20,0 7,0 20,0 26,0 8,0 4,8 6,0
12 5M 12 6F 19,10 23,0 13,0 14,5 20,0 8,0 20,0 26,0 9,0 4,8 6,0
14 5M 14 6F 22,29 26,0 14,0 14,5 20,0 9,0 20,0 26,0 10,0 6,0 9,0
15 5M 15 6F 23,88 28,0 16,0 14,5 20,0 10,0 20,0 26,0 11,0 6,0 10,0
16 5M 16 6F 25,47 30,0 17,0 14,5 20,0 11,0 20,0 26,0 12,0 6,0 11,0
17 5M 17 6F 27,05 32,0 19,0 14,5 20,0 12,0 20,0 26,0 14,0 6,0 13,0
18 5M 18 6F 28,64 33,0 20,0 14,5 20,0 14,0 20,0 26,0 15,0 6,0 14,0
19 5M 19 6F 30,23 34,0 21,0 14,5 20,0 15,0 20,0 26,0 17,0 6,0 14,0
20 5M 20 6F 31,83 36,0 23,0 14,5 20,0 17,0 20,0 27,0 18,0 6,0 15,0
22 5M 22 6F 35,01 39,0 25,0 14,5 20,0 18,0 20,0 27,0 20,0 6,0 16,0
24 5M 24 6F 38,19 42,0 27,0 14,5 20,0 20,0 20,0 27,0 30,0 6,0 17,0
25 5M 25 6F 39,78 43,0 29,0 14,5 20,0 30,0 20,0 27,0 40,0 6,0 18,0
26 5M 26 6F 41,38 45,0 29,0 14,5 20,0 35,0 20,0 27,0 45,0 6,0 18,0
28 5M 28 6F 44,56 47,0 30,0 14,5 20,0 40,0 20,0 27,0 50,0 6,0 19,0
30 5M 30 6F 47,74 51,0 34,0 14,5 20,0 50,0 20,0 27,0 60,0 6,0 21,0
32 5M 32 6F 50,92 55,0 36,0 14,5 20,0 60,0 20,0 27,0 80,0 8,0 22,0
34 5M 34 6F 54,11 61,0 36,0 14,5 20,0 80,0 20,0 27,0 90,0 8,0 22,0
36 5M 36 6F 57,29 64,0 36,0 14,5 20,0 90,0 20,0 27,0 100,0 8,0 22,0
38 5M 38 6F 60,47 66,0 36,0 14,5 20,0 100,0 20,0 27,0 120,0 8,0 22,0
40 5M 40 6F 63,66 68,0 36,0 14,5 20,0 120,0 20,0 27,0 140,0 8,0 22,0
44 5M 44 6W 70,02 -- 38,0 14,5 20,0 100,0 20,0 28,0 130,0 8,0 23,0
48 5M 48 6W 76,39 -- 38,0 14,5 20,0 120,0 20,0 28,0 160,0 8,0 23,0
50 5M 50 6W 79,57 -- 38,0 14,5 20,0 130,0 20,0 28,0 170,0 8,0 23,0
52 5M 52 6W 82,76 -- 38,0 14,5 20,0 150,0 20,0 28,0 180,0 8,0 23,0
56 5M 56 6W 89,12 -- 38,0 14,5 20,0 180,0 20,0 28,0 200,0 8,0 23,0
60 5M 60 6WR 95,49 -- 40,0 14,5 20,0 200,0 20,0 28,0 220,0 10,0 25,0
62 5M 62 6WR 98,67 -- 40,0 14,5 20,0 210,0 20,0 28,0 280,0 10,0 25,0
72 5M 72 6WR 114,59 -- 45,0 14,5 20,0 240,0 20,0 28,0 300,0 10,0 30,0
84 5M 84 6WR 133,68 -- 50,0 14,5 20,0 280,0 20,0 28,0 310,0 10,0 34,0
Referência da Polia Numero de Dentes Tipo de Polia Dia. Primitivo Ø Dp Dia. Flanges Ø F Dia. do Cubo
Ø C
25 Furo Min. Ø Furo Max. Ø Peso Aprox. (g)
L1 L2
10 5M 10 6F 15,91 20,0 10,0 30,0 36,0 4,8 6,0 9,0
12 5M 12 6F 19,10 23,0 13,0 30,0 36,0 4,8 6,0 10,0
14 5M 14 6F 22,29 26,0 14,0 30,0 36,0 6,0 9,0 11,0
15 5M 15 6F 23,88 28,0 16,0 30,0 36,0 6,0 10,0 12,0
16 5M 16 6F 25,47 30,0 17,0 30,0 36,0 6,0 11,0 14,0
17 5M 17 6F 27,05 32,0 19,0 30,0 36,0 6,0 13,0 15,0
18 5M 18 6F 28,64 33,0 20,0 30,0 36,0 6,0 14,0 17,0
19 5M 19 6F 30,23 34,0 21,0 30,0 36,0 6,0 14,0 18,0
20 5M 20 6F 31,83 36,0 23,0 30,0 37,0 6,0 15,0 20,0
22 5M 22 6F 35,01 39,0 25,0 30,0 37,0 6,0 16,0 30,0
24 5M 24 6F 38,19 42,0 27,0 30,0 37,0 6,0 17,0 40,0
25 5M 25 6F 39,78 43,0 29,0 30,0 37,0 6,0 17,0 45,0
26 5M 26 6F 41,38 45,0 29,0 30,0 37,0 6,0 18,0 50,0
28 5M 28 6F 44,56 47,0 30,0 30,0 37,0 6,0 19,0 60,0
30 5M 30 6F 47,74 51,0 34,0 30,0 37,0 6,0 21,0 80,0
32 5M 32 6F 50,92 55,0 36,0 30,0 37,0 8,0 22,0 90,0
34 5M 34 6F 54,11 61,0 36,0 30,0 37,0 8,0 22,0 100,0
36 5M 36 6F 57,29 64,0 36,0 30,0 37,0 8,0 22,0 120,0
38 5M 38 6F 60,47 66,0 36,0 30,0 37,0 8,0 22,0 140,0
40 5M 40 6F 63,66 68,0 36,0 30,0 37,0 8,0 22,0 160,0
44 5M 44 6W 70,02 -- 38,0 30,0 38,0 8,0 23,0 140,0
48 5M 48 6W 76,39 -- 38,0 30,0 38,0 8,0 23,0 180,0
50 5M 50 6W 79,57 -- 38,0 30,0 38,0 8,0 23,0 200,0
52 5M 52 6W 82,76 -- 38,0 30,0 38,0 8,0 23,0 220,0
56 5M 56 6W 89,12 -- 38,0 30,0 38,0 8,0 23,0 240,0
60 5M 60 6W 95,49 -- 40,0 30,0 38,0 10,0 25,0 260,0
62 5M 62 6W 98,67 -- 40,0 30,0 38,0 10,0 25,0 300,0
72 5M 72 6W 114,59 -- 45,0 30,0 38,0 10,0 30,0 320,0
84 5M 84 6W 133,68 -- 50,0 30,0 38,0 10,0 34,0 340,0

 

Produtos relacionados

Sobre a loja

Bem-vindo(a) à Royal Equipamentos! Aqui você encontra correias e polias das melhores marcas, com qualidade garantida e atendimento especializado. Compre de forma rápida, segura e prática em nosso site.

Pague com
  • proxy-mercadopago-v1
  • proxy-pagbank-v1
Selos

ROYAL EQUIPAMENTOS CORREIAS E POLIAS LTDA - CNPJ: 28.329.317/0001-95 © Todos os direitos reservados. 2025


Para continuar, informe seu e-mail

💬 Consulte esse item via Whatsapp